BB-B型擺線齒輪油泵是一種容積式內嚙合齒輪油泵,由于該泵結構簡單、噪音低、輸油平穩、高轉速、自吸性能好,廣泛適用于2.5MPa以下的液壓系統,亦可作為動力泵和潤滑泵。
BB-B型擺線油泵分內泄漏和外泄漏兩種油泵,訂貨時請說明!額定壓力:2.5MPa 轉速:1450r/min。BB-B*Y型是帶安全閥的。
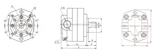
BB-B擺線齒輪泵內部結構

BB-B擺線齒輪泵性能參數

|
型號 |
流量 L/min |
壓力 MPa |
轉速 r/min |
壓力脈動 MPa |
容積效率 µv% |
驅動功率 kw |
|
|
BB-BBB-BY |
4 |
4 |
2.5 |
1500 |
0.15 |
≥ 80 |
0.21 |
|
6 |
6 |
0.31 |
|||||
|
10 |
10 |
0.51 |
|||||
|
BB-BBB-BY |
16 |
16 |
≥ 90 |
0.82 |
|||
|
20 |
20 |
1.02 |
|||||
|
25 |
25 |
1.30 |
|||||
|
32 |
32 |
1.65 |
|||||
|
BB-BBB-BY |
40 |
40 |
≥ 90 |
2.10 |
|||
|
50 |
50 |
2.60 |
|||||
|
63 |
63 |
3.30 |
|||||
|
BB-BBB-BY |
80 |
80 |
≥ 90 |
4.10 |
|||
|
100 |
100 |
5.10 |
|||||
|
125 |
125 |
6.50 |
|||||
|
型號 |
A |
B |
E |
F |
H |
L |
D |
d |
ф |
b |
M |
K |
|
BB-B4 |
50 |
72 |
25 |
30 |
92 |
94 |
ф 35 |
ф 12 |
ф 50 |
4 |
M6 |
Z 3/8” |
|
BB-B6 |
55 |
99 |
||||||||||
|
BB-B10 |
64 |
108 |
||||||||||
|
BB-B16 |
72 |
95 |
30 |
35 |
117 |
127 |
ф 50 |
ф 16 |
ф 65 |
5 |
M8 |
Z 3/4” |
|
BB-B20 |
76 |
131 |
||||||||||
|
BB-B25 |
81 |
136 |
||||||||||
|
BB-B32 |
88 |
143 |
||||||||||
|
BB-B40 |
85 |
110 |
32 |
37 |
134 |
144 |
ф 55 |
ф 22 |
ф 80 |
6 |
M8 |
Z 3/4” |
|
BB-B50 |
90 |
149 |
||||||||||
|
BB-B63 |
97 |
156 |
||||||||||
|
BB-B80 |
102 |
130 |
40 |
40 |
154 |
175 |
ф 70 |
ф 30 |
ф 95 |
8 |
M8 |
進 Z1 1/4” |
|
BB-B100 |
109 |
182 |
||||||||||
|
BB-B125 |
118 |
191 |
出 Z1” |
公司電話:400-999-0822
公司傳真:0317-8309525
企業QQ:1553179303
公司地址:河北省泊頭市付莊開發區